1MF | 1.1-8 мл/об
Гидравлический шестеренчатый насос
Гидравлический мотор-редуктор серии 1MF отличается впечатляющим диапазоном рабочих объемов от 1,1 до 8,5 мл/об. Мотор-редукторы данной серии специально разработаны для работы в условиях, требующих высокой устойчивости к загрязнениям. Серия мотор-редукторов 1MF с ее простой, но прочной конструкцией обеспечивает непревзойденную надежность. Такие функции, как автоматическая компенсация осевого зазора и износостойкие втулки, обеспечивают длительный срок службы, делая серию 1MF надежным и универсальным вариантом для различных применений.
Характеристики гидравлических шестеренчатых насосов серии 1MF
- Диапазон рабочих характеристик от 1,1 до 8,5 мл/об позволяет удовлетворить различные эксплуатационные потребности.
- Высокая несущая способность и долговечность.
- Оснащены автоматической компенсацией осевого зазора для обеспечения высокой производительности.
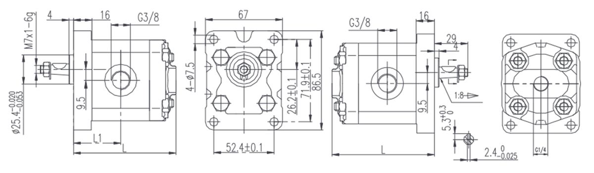
| Расход (мл/об) | 1.1 | 1.6 | 2.1 | 2.7 | 3.2 | 3.7 | 4.2 | 4.8 | 5.8 | 6.5 | 8 |
| L1(мм) | 33 | 35 | 36 | 37 | 38 | 39 | 40 | 41 | 43 | 44 | 47 |
| L (мм) | 75 | 78 | 79 | 81 | 83 | 85 | 87 | 89 | 93 | 95 | 101 |
| Модель | |||
| Расход (мл/об) | 1.1 - 5.1 | 5.1 - 8.5 | |
| Давление (бар) | P1 Номинальное | 200 | 200 |
| P2 Переменное | 230 | 230 | |
| P3 Максимальное | 250 | 250 | |
| Скорость (об/мин) | Макс | 4000 | 3600 |
| Мин | 650 | 650 | |
| Полный КПД (T>%) | 78 | ||
| Объемный КПД (V>%) | 92 | ||
| Механический КПД (M>%) | 85 | ||
Мотор-редукторы серии 1MF играют ключевую роль в работе систем охлаждения вентиляторов, обеспечивая эффективную передачу энергии с вала. Они играют ключевую роль в управлении тепловым режимом различных тяжелых машин, включая дорожные катки, экскаваторы и бульдозеры.




















