CBT | 8-16 мл/об
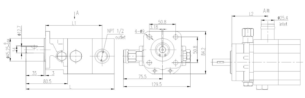
Гидравлический шестеренчатый насос (для дровокольного станка)
CBT | 8-16 мл/об
Гидравлический шестеренчатый насос (для дровокольного станка)
Наш гидравлический шестеренчатый насос (насос hi-lo) представляет собой двухступенчатый насос с двумя рабочими давлениями. Несмотря на то, что насос в основном используется в дровокольном оборудовании, его универсальная конструкция также позволяет использовать его в системах с аналогичным принципом работы, например, в клепальных машинах. Двухфункциональность этого шестеренчатого насоса обеспечивает эффективную работу в различных областях применения, что делает его ценным инструментом в оборудовании, требующем различных уровней давления.
| Модель | Расход (гал/мин) | Давление (Psi) | Объем (куб. дюйм/об) | Скорость (об/мин) | D (мм) | |||
| 3600 об/мин | Низкое | Высокое | Низкий | Высокий | Впускное отверстие | Выпускное отверстие | ||
| 8 | 400/900 | 3000 | 0.385 | 0.13 | 3600 | 1 в трубе | 1/2 в NPT | |
| 8.5 | 400/900 | 3000 | 0.385 | 0.183 | ||||
| 9 | 400/900 | 3000 | 0.385 | 0.22 | ||||
| 10 | 400/900 | 3000 | 0.537 | 0.13 | ||||
| 10.5 | 400/900 | 3000 | 0.537 | 0.183 | ||||
| 11 | 400/900 | 3000 | 0.537 | 0.22 | ||||
| 11.5 | 400/900 | 3000 | 0.537 | 0.256 | ||||
| 12 | 400/900 | 3000 | 0.665 | 0.13 | ||||
| 12.5 | 400/900 | 3000 | 0.665 | 0.183 | ||||
| 13 | 400/900 | 3000 | 0.665 | 0.22 | ||||
| 13.5 | 400/900 | 3000 | 0.665 | 0.256 | ||||
| 16 | 400/900 | 3000 | 0.793 | 0.265 | ||||
| 22 | 400/900 | 3000 | 0.93 | 0.465 | NPTF 1 | NPTF3/ | ||
| 28 | 400/900 | 3000 | 1.395 | 0.465 | G1 | G3/4 | ||












