3.5PF | 52-115 мл/об
Гидравлический шестеренчатый насос
В разнообразном ассортименте шестеренчатых насосов с рабочим объемом от 0,16 до 199 мл/об для удовлетворения широкого спектра промышленных требований, серия 3,5APF является мощным решением для гидравлических систем высокой производительности. Предлагая диапазон рабочих объемов 52-115 мл/об, серия насосов разработана для гибкого использования как в одиночных, так и в многоблочных установках, удовлетворяя потребности даже самых сложных гидравлических систем.
Характеристики гидравлических шестеренчатых насосов серии 3.5APF
- Значительный диапазон рабочих объемов от 52 до 115 мл/об, предназначенный для широкого спектра гидравлических приложений
- Автоматическая компенсация осевого зазора для обеспечения стабильной работы и повышения долговечности
- Изготовлены на высокоточном импортном оборудовании с ЧПУ для поддержания высочайших стандартов качества
- Серия 3.5APF является доказательством нашего стремления к совершенству в области гидротехники.
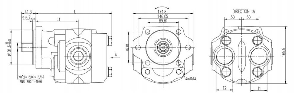
| Модель | Давление (бар) | Скорость (об/мин) | L | L1 | T1 | T2 | ||||
| Расход (мл/об) | Номинальное | Макс. | Номинальная | Макс. | Мин. | (мм) | (мм) | (мм) | (мм) | |
| 3.5APF52L**S12-B-O | 52 | 170 | 210 | 1500 | 3600 | 600 | 181 | 206.5 | 1” | 1-1/4” |
| 3.5APF63L**S12-B-O | 63 | 170 | 210 | 1500 | 3600 | 600 | 187.5 | 216 | 1” | 1-1/4” |
| 3.5APF73L**S12-B-O | 73 | 170 | 210 | 1500 | 3600 | 600 | 193.5 | 225.3 | 1-1/4” | 1-1/4” |
| 3.5APF85L**S12-B-O | 85 | 150 | 180 | 1500 | 3600 | 600 | 200.5 | 235.5 | 1-1/4” | 1-1/4” |
| 3.5APF93L**S12-B-O | 93 | 150 | 180 | 1500 | 3600 | 600 | 206.5 | 244.5 | 1-1/2” | 1-1/4” |
| 3.5APF104L**S12-B-O | 104 | 150 | 180 | 1500 | 3600 | 600 | 213 | 254.5 | 1-1/2” | 1-1/4” |
| 3.5APF115L**S12-B-O | 115 | 120 | 140 | 1500 | 3600 | 600 | 219 | 263.5 | 1-1/2” | 1-1/4” |
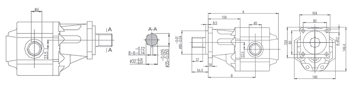
| Модель | Расход (мл/об) | Давление (бар) | Скорость (об/мин) | A | B | D | D (мм) | |||
| Номинальное | Макс. | Номинальная | Макс. | Мин. | (мм) | (мм) | (мм) | |||
| 3.5EPF82L00H27B | 82 | 210 | 300 | 2000 | 3000 | 300 | 233 | 157.5 | G1 | G1 |
| 3.5EPF95L99H27B | 95 | 210 | 300 | 2000 | 3000 | 300 | 239 | 160.5 | G1-1/4 | G1-1/4 |
Насосы серии 3,5APF, изготовленные из чугуна, широко применяются в сложных условиях благодаря повышенной устойчивости к давлению. Эти насосы используются в таких системах, как самосвалы и самосвальные установки в машиностроении, и оказываются незаменимыми там, где устойчивость и надежность имеют первостепенное значение. Их прочная конструкция и эксплуатационные характеристики демонстрируют силу чугунных насосов в тяжелых условиях эксплуатации в различных отраслях промышленности.




















