2.5MF | 10-40 мл/об
Гидравлический шестеренчатый насос
Гидравлические мотор-редукторы серии 2.5MF обладают диапазоном рабочих объемов от 10 до 40 мл/об, разработаны для удовлетворения сложных требований различных промышленных применений. Данная серия редукторов характеризуется своей устойчивостью к загрязнениям, простой, но надежной конструкцией и долговечностью. Благодаря автоматической компенсации осевого зазора и износостойким втулкам серия мотор-редукторов 2.5MF обеспечивает длительный срок службы.
Характеристики гидравлических шестеренчатых насосов серии 2.5MF
- Широкий диапазон объемов от 10 до 40 мл/об позволяет использовать мотор-редукторы в различных гидравлических системах.
- Превосходная грузоподъемность и повышенная долговечность подтверждают пригодность для использования гидромоторов в тяжелых условиях.
- Автоматическая компенсация осевого зазора обеспечивает постоянную производительность и эффективность.
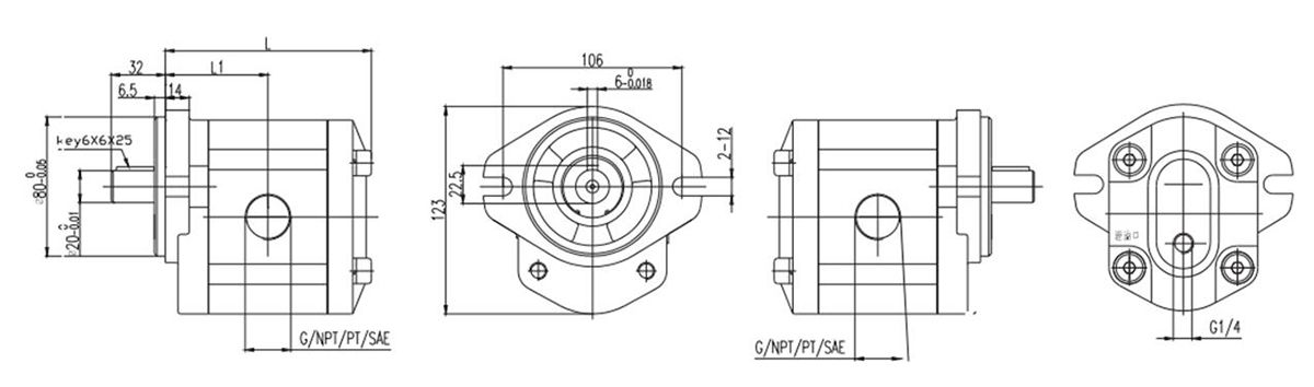
| Расход (мл/об) | 10 | 16 | 20 | 25 | 27 | 30 | 32 | 36 | 40 |
| L1(мм) | 44 | 45 | 60 | 62 | 63 | 65 | 66 | 68 | 70 |
| L (мм) | 96 | 98 | 125 | 130 | 132 | 137 | 139 | 144 | 148 |
Мотор-редукторы серии 2.5MF широко применяются в сложных условиях эксплуатации. Благодаря диапазону рабочих характеристик, рассчитанному на задачи средней и высокой мощности, эти моторы играют ключевую роль в управлении основными механизмами. Прочная конструкция мотор-редукторов особенно эффективна в системах, требующих точного гидравлического управления, что делает их идеальным выбором для дорожных катков, экскаваторов и бульдозеров. Надежность и эффективность двигателей серии 2.5MF обеспечивает бесперебойную работу тяжелой техники в различных условиях.















