0PF | 0.16-2 мл/об
Шестеренный гидронасос
GRH предлагает широкий ассортимент гидравлических шестеренчатых насосов. В каталоге представлены десять серий шестеренчатых насосов с полным диапазоном производительности от 0,16 до 199 мл/об. для удовлетворения практически любых промышленных требований. Серия OPF, в частности, предназначена для специализированных применений благодаря своей компактной и эффективной конструкции, подходящей для небольших гидравлических систем и задач точной смазки.
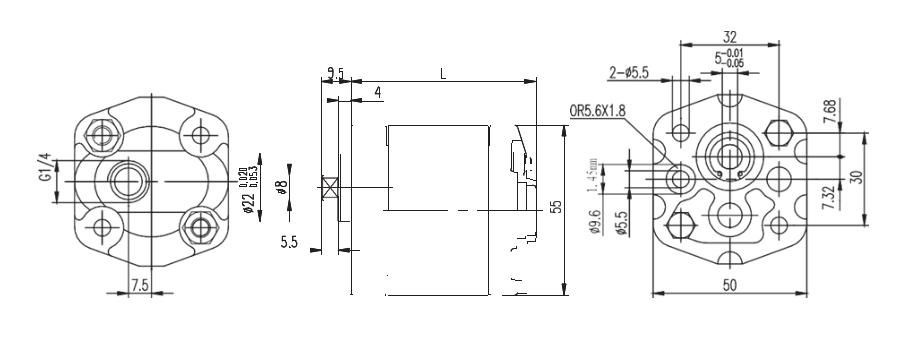
Характеристики гидравлических шестеренчатых насосов серии OPF
- Доступны насосы с рабочим объемом от 0,16 до 2 мл/об/мин, что позволяет создавать конфигурации от отдельного блока до сложных узлов.
- Автоматическая компенсация осевого зазора для стабильной и высококачественной работы.
- Обрабатывается импортным обрабатывающим оборудованием с ЧПУ для обеспечения превосходной точности.
- Надежное качество и стабильная производительность при соблюдении строгих стандартов качества гидравлики.
| Модель | Рабочий объем (мл/об) | Давление (бар) | Скорость (об/мин) | L (мм) | SS | Входное отверстие (мм) | |||
| Ном | Макс | Ном | Макс | Мин | L1(мм) | ||||
| 0.16 | 200 | 250 | 2000 | 6000 | 800 | 58.2 | 30.8 | G1/4 | |
| 0.25 | 200 | 250 | 2000 | 6000 | 800 | 59 | 31.3 | ||
| 0.38 | 200 | 250 | 2000 | 6000 | 800 | 60.3 | 31.9 | ||
| 0.5 | 200 | 250 | 2000 | 6000 | 800 | 61 | 32.3 | ||
| 0.75 | 200 | 250 | 2000 | 6000 | 800 | 63.5 | 33.5 | ||
| 1 | 200 | 250 | 2000 | 6000 | 800 | 66 | 34.8 | ||
| 1.25 | 200 | 250 | 2000 | 5000 | 800 | 68.5 | 36 | ||
| 1.5 | 200 | 250 | 2000 | 4500 | 800 | 70 | 37 | ||
| 1.75 | 200 | 250 | 2000 | 4000 | 800 | 73 | 38.3 | ||
| 2 | 160 | 200 | 2000 | 3500 | 800 | 75.5 | 39.5 | ||
Шестеренные насосы серии 0PF широко используются в микрогидравлических системах. Благодаря небольшим размерам и легкому весу насосы идеально подходят для точных применений. Низкий диапазон рабочего объема делает их популярным выбором для систем смазки гусениц. Являясь неотъемлемой частью различной техники, такой как вилочные погрузчики, подъемные платформы, комбайны, тракторы и дорожные катки, эти насосы подчеркивают наше стремление к совершенству гидравлики. Подробные примеры использования наших насосов приведены в следующих примерах разнообразных областей применения:




















