1FDF | 1.6-8.42 мл/об
Шестеренный делитель потока
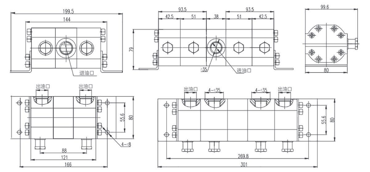
Серия 1FDF четырехступенчатых делителей потока отличается точностью управления гидравлическими потоками, предлагая диапазон рабочего объема от 1,6 до 8,42 мл/об. Эти редукторные делители потока предназначены для соединения нескольких редукторных двигателей с помощью муфты, образуя систему, которая обеспечивает синхронизированную работу приводов с высокой точностью. Интеграция дополнительных клапанов повышает защиту и функциональность системы.
Характеристики делителей потока серии 1FDF
- Диапазон расхода от 1,6 до 8,42 мл/об., рассчитанный на оптимальное распределение потока.
- Поддерживает потерю давления в пределах 16-19 бар для эффективной работы системы.
- Обеспечивает синхронизацию работы привода с высокой точностью, достигая точности синхронизации от ±1,5% до ±2%.
- Возможность интеграции с предохранительными клапанами, обратными клапанами и клапанами регулирования скорости, обеспечивая защиту системы и дополнительные функции.
| Рабочий объем | Отверстия по SAE | Мин расход/сек | Макс расход/сек | Разница давлений между входом/выходом | Макс давление на выходе | ||||||
| In3 | Cm³ | Inlet | Outlet | Gpm | Lpm | Gpm | Lpm | Psi | Bar | Psi | Bar |
| 0.097 | 1.6 | SAE6 | SAE6 | 0.8 | 3 | 1.7 | 6.4 | 1800 | 124 | 3500 | 240 |
| 0.129 | 2.13 | SAE8 | SAE8 | 1.2 | 4.5 | 2.5 | 9.5 | 1800 | 124 | 3500 | 240 |
| 0.194 | 3.18 | SAE8 | SAE6 | 1.7 | 6.4 | 4.5 | 13.2 | 1800 | 124 | 3500 | 240 |
| 0.258 | 4.24 | SAE10 | SAE10 | 2.5 | 9.5 | 5 | 18.9 | 1800 | 124 | 3500 | 240 |
| 0.323 | 5.29 | SAE10 | SAE10 | 3 | 11.4 | 6 | 22.7 | 1800 | 124 | 3500 | 240 |
| 0.388 | 6.36 | SAE10 | SAE10 | 3.5 | 13.2 | 7 | 26.5 | 1600 | 110 | 3500 | 240 |
| 0.453 | 7.42 | SAE10 | SAE10 | 4 | 15.1 | 8 | 30.3 | 1300 | 90 | 3500 | 240 |
| 0.517 | 8.42 | SAE10 | SAE10 | 4.5 | 17 | 9 | 34.1 | 1200 | 83 | 3500 | 240 |
Шестеренные делители потока 1FDF широко используются в промышленной, складской и сельскохозяйственной технике, играя ключевую роль в обеспечении синхронной работы. Они незаменимы в таких устройствах, как стреловые автокраны, подъемные платформы, тракторы, комбайны, разделители бревен и вилочные погрузчики, обеспечивая точную и эффективную работу в различных областях применения.















