3.5MF | 52-115 мл/об
Гидравлический шестеренчатый насос
Гидравлические мотор-редукторы серии 3.5MF от компании GRH отличаются диапазоном рабочих объемов 52-115 мл/об. Данная серия отличается высокой устойчивостью к загрязнениям, простотой и высокой надежностью. Мотор-редукторы оснащены функцией автоматической компенсации осевого зазора и износостойкими втулками, что значительно продлевает срок их службы.
Характеристики гидравлических шестеренчатых насосов серии 3.5MF
- Значительный диапазон рабочих объемов от 52 до 115 мл/об позволяет удовлетворить широкий спектр гидравлических потребностей.
- Высокая грузоподъемность и прочность обеспечивают более длительный срок службы.
- Автоматическая компенсация осевого зазора обеспечивает стабильную и эффективную работу.
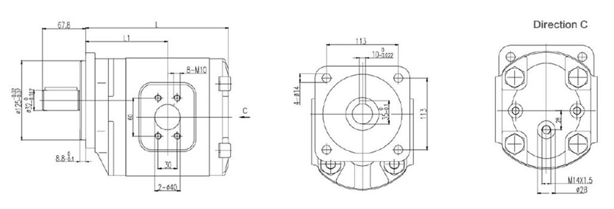
| Расход (мл/об) | 22 | 26 | 39 |
| L1(мм) | 66 | 67 | 71 |
| L (мм) | 131 | 134 | 143 |
Мотор-редукторы серии 3.5MF широко применяются в системах охлаждения и служат в качестве двигателей перемешивания в небольших бетономешалках. Благодаря своей конструкции мотор-редукторы являются важнейшим компонентом эффективной работы механизмов охлаждения, необходимых для таких машин, как дорожные катки, экскаваторы и бульдозеры. Кроме того, надежность и производительность мотор-редукторов при смешивании цемента делают их незаменимыми в строительной отрасли, где требуется постоянное и надежное смешивание.















