GWD | 120-750 мл/об
Орбитальный гидромотор
GWD | 120-750 мл/об
Орбитальный гидромотор
Мотор-редуктор серии GRH является важной частью линейки продукции GRH. Данный мотор-редуктор известен благодаря высокому крутящему моменту до 11 100 фунт-дюймов. Данный мотор-редуктор обладает первоклассными характеристиками. Его оптимизированный профиль гереролера обеспечивает плавную работу, а передовая технология дискового затвора не только обеспечивает выдающуюся производительность, но и предлагает одну из самых высоких нагрузочных способностей, что делает его идеальным для сложных приложений.
- Оснащен надежным стояночным тормозом
- Проверенные временем компоненты обеспечивают надежность оборудования
- Ведущая в отрасли технология дисковых клапанов известна своей высокой эффективностью
- Устойчивая к утечкам конструкция с передним подшипником защищает уплотнение вала
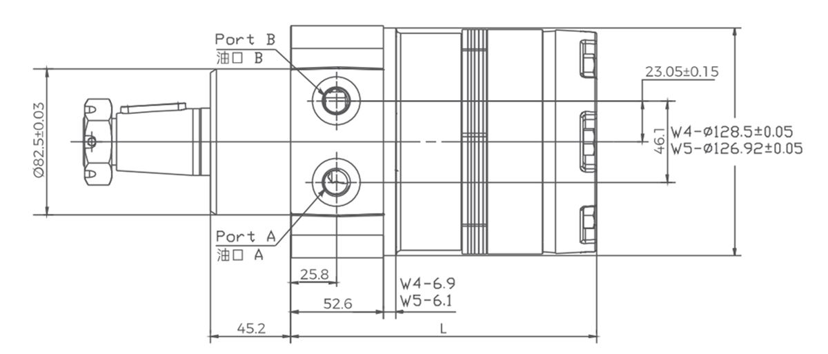
- Способны выдерживать крутящий момент до 11 100 фунт-дюймов в перерывах и расход до 30 ГПМ в перерывах
- Широкий диапазон 12 рабочих объемов, от 6,9 до 46 CID
- Размеры валов до 1-5/8 дюйма
- Оснащен 3-1 / 4-дюймовым передним пилотом и 5-дюймовым задним пилотом
- Ножничный подъемник
- Подъемник стрелы
- Косилка
- Оборудование для ухода за газоном
- Измельчитель бревен
- Морские лебедки
- Траншеекопатели
- Рыболовные лебедки
- Оборудование для переработки мусора
| Объем см³/об | 120 | 160 | 200 | 230 | 260 | 300 | 350 | 375 | 470 | 540 | 620 | 750 |
| Длина мм | 156 | 156 | 159 | 162 | 165 | 168 | 182 | 174 | 182 | 188 | 196 | 206 |












