3PF | 22-89 мл/об
Гидравлический шестеренчатый насос
Среди десяти серий гидравлических шестеренчатых насосов с диапазоном рабочих объемов от 0,16 до 199 мл/об серия 3PF является надежным решением для приложений, требующих больших объемов. Благодаря диапазону рабочих объемов 22-89 мл/об, насосы отличаются универсальностью как в одноблочных, так и в многоблочных конфигурациях, что делает их идеальным решением для более требовательных гидравлических систем.
Характеристики гидравлических шестеренчатых насосов серии 3PF
- Широкий диапазон рабочих объемов от 22 до 89 мл/об, обеспечивающий гибкость в широком спектре гидравлических применений.
- Автоматический механизм компенсации осевого зазора обеспечивает оптимальную производительность и долговечность.
- Точность изготовления достигается за счет использования импортного оборудования с ЧПУ, что отражает стремление к высочайшему качеству.
- Серия отличается надежным качеством и стабильной производительностью, соответствуя самым высоким стандартам гидротехники.
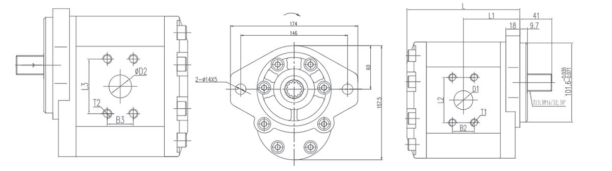
Технические характеристики
| Модель | Расход (мл/об) | Давление (бар) | Скорость (об/мин) | L | L1 | L2 | B2 | ØD1 | T1 | L3 | B3 | ØD2 | T2 | |||
| Номинальное | Макс. | Номинальная | Макс. | Мин. | (мм) | (мм) | (мм) | (мм) | (мм) | (мм) | (мм) | (мм) | (мм) | (мм) | ||
| 22 | 200 | 250 | 2000 | 3000 | 400 | 130.3 | 65.3 | 52.4 | 26.2 | 27 | 3/8-16UNC-2B | 26.2 | 47.6 | 19 | 3/8-16UNC-2B | |
| 26 | 200 | 250 | 2000 | 3000 | 400 | 133.3 | 66.8 | |||||||||
| 34 | 200 | 250 | 2000 | 3000 | 400 | 138.8 | 69.6 | |||||||||
| 39 | 200 | 250 | 2000 | 3000 | 400 | 142.8 | 71.6 | |||||||||
| 43 | 200 | 250 | 2000 | 2800 | 400 | 145.3 | 72.8 | |||||||||
| 51 | 200 | 250 | 2000 | 2400 | 400 | 151.3 | 75.8 | |||||||||
| 60 | 180 | 230 | 1500 | 2800 | 400 | 157.8 | 79.1 | 58.7 | 28.4 | 33 | 7/16-14UNC-2B | 26.2 | 52.4 | 27 | ||
| 70 | 180 | 200 | 1500 | 2500 | 400 | 164.8 | 82.5 | |||||||||
| 78 | 160 | 200 | 1500 | 2300 | 400 | 171 | 85 | |||||||||
| 89 | 140 | 180 | 1500 | 2000 | 400 | 176 | 88 | |||||||||
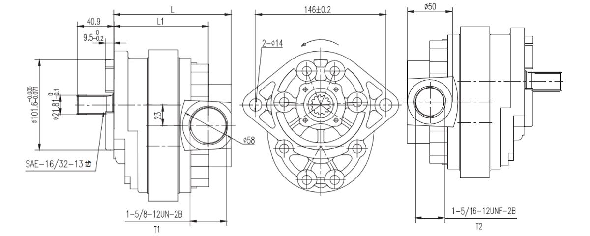
Технические характеристики
| Модель | Расход (мл/об) | Давление (бар) | Скорость (об/мин) | L | L1 | T1 | T2 | |||
| Номинальное | Макс. | Номинальная | Макс. | Мин. | (мм) | (мм) | (мм) | (мм) | ||
| 22 | 200 | 250 | 2000 | 3000 | 400 | 111.6 | 85.6 | 1-5/8-12UNC-2B | 1-5/16-12UNC-2B | |
| 26 | 200 | 250 | 2000 | 3000 | 400 | 114.5 | 88.5 | |||
| 34 | 200 | 250 | 2000 | 3000 | 400 | 120.2 | 94.2 | |||
| 39 | 200 | 250 | 2000 | 3000 | 400 | 123.8 | 97.8 | |||
| 43 | 200 | 250 | 2000 | 2800 | 400 | 126.5 | 100.5 | |||
| 50 | 200 | 250 | 2000 | 2400 | 400 | 131.5 | 105.5 | |||
| 60 | 180 | 230 | 1500 | 2800 | 400 | 138.5 | 112.5 | |||
| 63 | 180 | 200 | 1500 | 2500 | 400 | 140.8 | 114.8 | |||
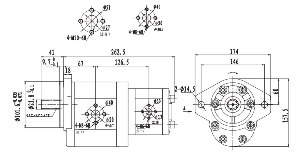
Технические характеристики
| Модель | Расход (мл/об) | Давление (бар) | Скорость (об/мин) | |||
| Номинальное | Макс. | Номинальная | Макс. | Мин. | ||
| 32/23 | 200 | 250 | 2000 | 3000 | 500 | |
| Расход (мл/об) | 22 | 26 | 34 | 39 | 43 | 51 | 60 | 70 |
| L3/L4(мм) | 80 | 83 | 88.5 | 92.5 | 95 | 101 | 107.5 | 114.5 |
| L (мм) | 128.5 | 131.5 | 137 | 141 | 143.5 | 149.5 | 156 | 163 |
| L1(мм) | 65.5 | 67 | 69.8 | 71.8 | 73 | 76 | 79.3 | 82.8 |
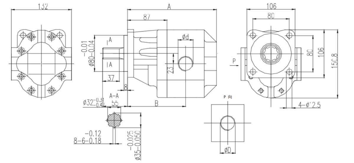
| Модель | Расход (мл/об) | Давление (бар) | Скорость (об/мин) | A (мм) | B (мм) | D (мм) | D (мм) | Вес (кг) | |||
| Номинальное | Макс. | Номинальная | Макс. | Мин. | |||||||
| 43 | 210 | 300 | 2000 | 3000 | 300 | 171 | 115.5 | G1 | G3/4 | 12.8 | |
| 51 | 210 | 300 | 2000 | 3000 | 300 | 177 | 118.5 | G1 | G1 | 13.2 | |
| 61 | 210 | 300 | 200 | 3000 | 300 | 183.6 | 121.8 | G1 | G1 | 13.6 | |
| 82 | 210 | 300 | 200 | 3000 | 300 | 196 | 128 | G1-1/4 | G1 | 14.1 | |
Шестеренчатые насосы серии 3PF, рассчитанные на высокую производительность, идеально подходят для крупногабаритной техники и оборудования. Надежная работа насосов является неотъемлемой частью насосных машин, автокранов и бетоносмесителей, обеспечивая эффективность и надежность, необходимые в тяжелых условиях эксплуатации.
































