GDV25 | 25-30 л/мин
Моноблочный гидрораспределитель
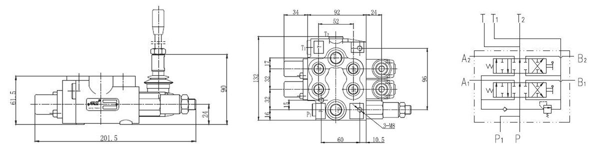
Шесть серий моноблочных регулирующих клапанов GDV25 обладают диапазоном расхода 25-170 л/мин. Моноблочные гидрораспределители предлагают различные функции золотника, предназначенные для управления цилиндрами двойного действия, цилиндрами одинарного действия и гидромоторами. Такая универсальность гарантирует, что серия GDV25 может соответствовать широкому спектру требований к гидравлическим системам, обеспечивая точное управление и эффективную работу в различных областях применения.
Характеристики
- Корпус гидрораспределителя выполнен из чугуна;
- Пружинная клемма и торцевая заглушка выполнены из алюминия под давлением;
- Цепь напряжения и каждое рабочее соединение оснащены обратным клапаном;
- Ручной блок управления или троссельный блок управления на выбор;
- Возможно оснащение гидропотоком с внешним управлением;
- Возможно оснащение распределителя функцией механического позиционирования;
- Оснащение золотниками различного назначения: предназначены для управления цилиндрами двустороннего действия, управления цилиндрами одностороннего действия, управления масляными двигателями;
- Количество секций: 1-6.
| Номинальный расход | 25 л/мин |
| Максимальный расход | 30 л/мин |
| Максимальное давление | 250 бар |
| Внутренняя утечка (70 бар): A/B в T | 30-35 см3/мин |
| Диапазон температур рабочей жидкости | |
| С уплотнением из бутадиенового каучука | -20C° - 80C° |
| С уплотнением из фторокаучука | -20C° - 100C° |
| Ход золотника (1/2 позиции) | +5.5/-5.5 мм |
| Ход свободно плавающаго золотника (1/2 и F позиции) | +5.5/-5.5 -8 мм |
| Диапазон вязкости гидравлической жидкости | 15-75 ммA2/с |
| Диапазон эксплуатационных температур | -40C°- 60C° |
Моноблочные распределительные клапаны (гидрораспределители) серии GDV25 от GRH широко используются в различных отраслях, включая промышленное оборудование, сельскохозяйственную и строительную технику. Применение в таких устройствах, как колесные погрузчики, вилочные погрузчики и лесопогрузчики, подчеркивает адаптивность и эффективность клапанов, что делает их жизненно важным компонентом в повышении производительности и надежности машин в этих областях.















