2.8PF | 6-45 мл/об
Гидравлический шестеренчатый насос
Серия 2.8PF гидравлических шестеренчатых насосов с диапазоном рабочих объемов от 0,16 до 199 мл/об, характеризуется своей адаптивностью к самым разным условиям эксплуатации. Данная серия отличается диапазоном рабочих объемов 6-45 мл/об, что делает ее идеальной для применения в системах, где требуется более высокий гидравлический расход.
Характеристики гидравлических шестеренчатых насосов серии 2.8PF
- Универсальный диапазон объема от 6 до 45 мл/об, подходящий как для одноблочных, так и для многоблочных конфигураций.
- Автоматическая компенсация осевого зазора, обеспечивающая долгосрочную эффективность и производительность.
- Изготовлены с высокой точностью на импортном оборудовании с ЧПУ, что гарантирует высочайший уровень качества.
- Серия 2.8PF характеризуется надежным качеством и стабильной работой, воплощая в себе нашу приверженность гидротехнике и инновациям.
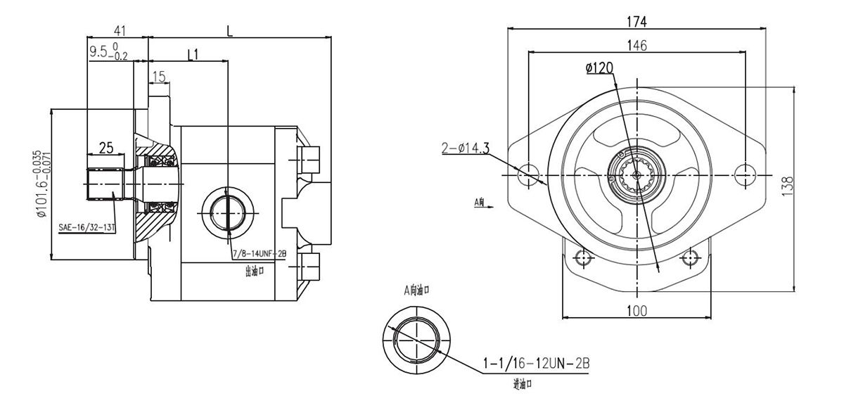
Габариты
| Модель | Рабочий объем (мл/об) | Давление (бар) | Скорость (об/мин) | L(мм) | |||
| Ном | Макс | Ном | Макс | Мин | |||
| 6 | 250 | 280 | 2000 | 4000 | 800 | 115 | |
| 8 | 250 | 280 | 2000 | 4000 | 800 | 117 | |
| 10 | 250 | 280 | 2000 | 4000 | 700 | 119 | |
| 12 | 250 | 280 | 2000 | 3500 | 700 | 121.5 | |
| 14 | 250 | 280 | 2000 | 3500 | 600 | 123.5 | |
| 16 | 250 | 280 | 2000 | 3500 | 600 | 125.5 | |
| 19 | 250 | 280 | 2000 | 3000 | 500 | 128.5 | |
| 22 | 250 | 280 | 2000 | 3000 | 500 | 132 | |
| 25 | 250 | 280 | 2000 | 3000 | 500 | 135 | |
| 28 | 250 | 280 | 2000 | 3000 | 500 | 138.5 | |
| 30 | 230 | 250 | 2000 | 3000 | 500 | 140.5 | |
| 32 | 230 | 250 | 2000 | 3000 | 400 | 142.5 | |
| 36 | 200 | 230 | 1500 | 2750 | 400 | 147 | |
| 40 | 200 | 230 | 1500 | 2750 | 400 | 151.5 | |
| 43 | 170 | 190 | 1500 | 2500 | 400 | 154.5 | |
| 45 | 170 | 190 | 1500 | 2500 | 400 | 156.5 | |
Серия 2.8PF, созданная в результате независимых исследований и разработок, объединяет характеристики серий 2.5PF и 3PF, обеспечивая баланс объема и давления. Это стратегическое сочетание позволяет серии 2.8PF широко применяться в сценариях, требующих среднего объема. Конструкция гидронасоса является свидетельством адаптивности и универсальности, необходимых для удовлетворения разнообразных требований к гидравлическим системам, что позволяет ему превосходно работать в различных условиях эксплуатации.














