GDV70 | 70-80 л/мин
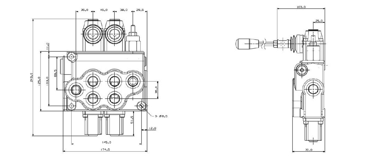
Моноблочный гидрораспределитель
Гидрораспределитель серии GDV70 отличается пропускной способностью от 25 до 170 л/мин. Оснащенный разнообразными функциями золотника, гидрораспределитель способен управлять работой цилиндров двойного и одинарного действия, а также гидромоторов. Благодаря своей универсальности гидрораспределитель GDV70 может легко интегрироваться в различные гидравлические системы, обеспечивая точное и эффективное управление, необходимое для широкого спектра применений.
Характеристики
- Корпус гидрораспределителя выполнен из чугуна;
- Пружинная клемма и торцевая заглушка выполнены из алюминия под давлением;
- Цепь напряжения и каждое рабочее соединение оснащены обратным клапаном;
- Ручной блок управления или троссельный блок управления на выбор;
- Возможно оснащение гидропотоком с внешним управлением;
- Возможно оснащение распределителя функцией механического позиционирования;
- Оснащение золотниками различного назначения: предназначены для управления цилиндрами двустороннего действия, управления цилиндрами одностороннего действия, управления масляными двигателями;
- Количество секций: 1-6.
| Номинальный расход | 70 л/мин |
| Максимальный расход | 80 л/мин |
| Максимальное давление | 310 бар |
| Внутренняя утечка (70 бар): A/B в T | 30-35 см3/мин |
| Диапазон температур рабочей жидкости | |
| С уплотнением из бутадиенового каучука | -20C° -80C° |
| С уплотнением из фторокаучука | -20C° - 100C° |
| Ход золотника (1/2 позиции) | +7/-7 мм |
| Ход свободно плавающаго золотника (1/2 и F позиции) | +7/-7 -9 мм |
| Диапазон вязкости гидравлической жидкости | 15-75 mrrT2/s |
| Диапазон эксплуатационных температур | -40C° -60C° |
Гидрораспределитель серии GDV70 широко используется в промышленном оборудовании, сельскохозяйственной и строительной технике, повышая функциональность и производительность различных машин. Гидрораспределитель обеспечивает точность и надежность работы, демонстрируя свою критическую роль в поддержке машин в различных промышленных применениях.















