GP | 25-623.6 мл/об
Орбитальный гидромотор
GP | 25-623.6 мл/об
Орбитальный гидромотор
Серия орбитальных моторов GP от GRH представляет собой компактный и экономичный вариант гидравлических моторов. Наши орбитальные моторы разработаны с использованием инновационной интегрированной конструкции ротора-статора, что значительно повышает их удельную мощность. Известные своей превосходной эффективностью и долговечностью, моторы работают на более высоких скоростях вращения, обеспечивая оптимальную производительность. Ключевые особенности этой серии включают:
- Интегрированный блок ротор-статор обеспечивает высокую удельную мощность
- Высокий КПД, повышенная скорость вращения и длительный срок службы
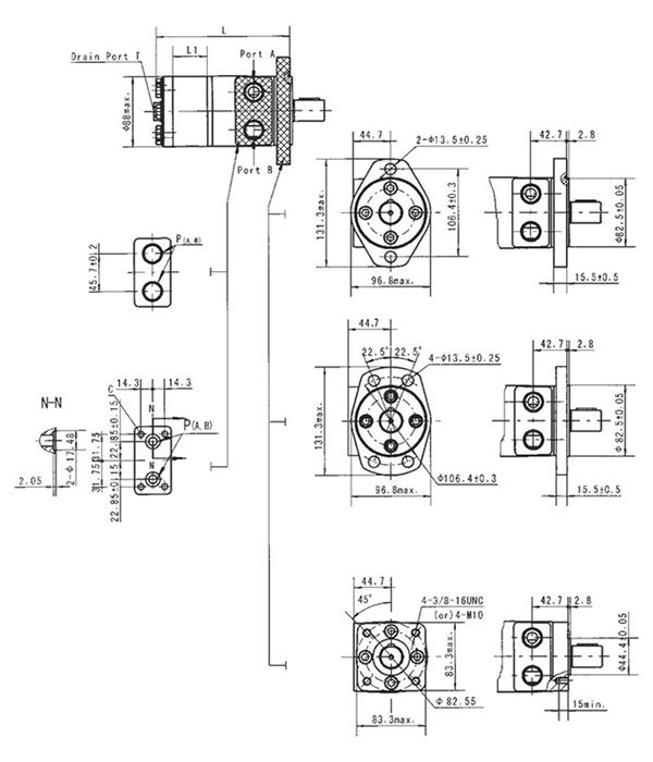
- Превосходный допуск на давление уплотнения вала, подходит для параллельной или последовательной конфигурации
- Прецизионное изготовление компонентов в цехе с постоянной температурой и отсутствием пыли
- Конвейерные системы
- Оборудование для роботов и манипуляторов
- Металлообрабатывающие инструменты
- Текстильное оборудование
- Сельскохозяйственное оборудование
- Оборудование для пищевой промышленности
- Газонокосилки
| Модель | ||||||||
| Объем см3/об [в3/об] | 25[1.52] | 32[1.95] | 40[2.44] | 49,5[3.02] | 79,2[4.83] | 99[6.04] | 123,8[7.55] | |
| Макс. скорость [об/мин] | Непрерывная | 1600 | 1560 | 1500 | 1210 | 755 | 605 | 486 |
| Периодическая | 1815 | 1720 | 1750 | 1515 | 945 | 755 | 605 | |
| Макс. крутящий момент даНм [фунт-дюйм] | Непрерывный | 3,3[290] | 4,3[380] | 6,2[550] | 9,4[835] | 15,1[1340] | 19,3[1710] | 23,7[2100] |
| Периодический | 4,7[415] | 6,1[540] | 8,2[730] | 11,9[1050] | 19,5[1725] | 23,7[2100] | 29,8[2640] | |
| Пиковый | 6,7[595] | 8,6[760] | 10,7[950] | 14,3[1285] | 22,4[1985] | 27,5[2435] | 36,5[3235] | |
| Макс. мощность кВт[л.с.] | Непрерывная | 4,5[6.0] | 5,8[7.8] | 8,4[11.5] | 10,1[13.5] | 10,2[13.7] | 10,5[14.1] | 10,2[13.7] |
| Прерывистая | 6,1[8.2] | 7,8[10.5] | 11,6[15.5] | 12,2[16.1] | 12,5[16.8] | 12,8[17.1] | 12[16.1] | |
| Макс. перепад давления бар[PSI] | Непрерывный | 100[1450] | 100[1450] | 120[1750] | 140[2030] | 140[2030] | 140[2030] | 140[2030] |
| Периодический | 140[2030] | 140[2030] | 155[2250] | 175[2540] | 175[2540] | 175[2540] | 175[2540] | |
| Пиковый | 225[3260] | 225[3260] | 225[3260] | 225[3260] | 225[3260] | 225[3260] | 225[3260] | |
| Макс. расход л/мин[гал/мин] | Непрерывный | 40[10.5] | 50[13.2] | 60[15.9] | 60[15.9] | 60[15.9] | 60[15.9] | 60[15.9] |
| Периодический | 45[11.9] | 55[14.5] | 70[18.5] | 75[19.8] | 75[19.8] | 75[19.8] | 75[19.8] | |
| Макс. входное давление бар[PSI] | Непрерывное | 175[2540] | 175[2540] | 175[2540] | 175[2540] | 175[2540] | 175[2540] | 175[2540] |
| Периодическое | 200[2900] | 200[2900] | 200[2900] | 200[2900] | 200[2900] | 200[2900] | 200[2900] | |
| Пиковое | 225[3260] | 225[3260] | 225[3260] | 225[3260] | 225[3260] | 225[3260] | 225[3260] | |
| Макс. возвратное давление бар[PSI] | Непрерывное | 175[2540] | 175[2540] | 175[2540] | 175[2540] | 175[2540] | 175[2540] | 175[2540] |
| Периодическое | 200[2900] | 200[2900] | 200[2900] | 200[2900] | 200[2900] | 200[2900] | 200[2900] | |
| Пиковое | 225[3260] | 225[3260] | 225[3260] | 225[3260] | 225[3260] | 225[3260] | 225[3260] | |
| Макс. пусковое давление без радиальной нагрузки [бар PSI] | 10[145] | 10[145] | 10[145] | 10[145] | 10[145] | 10[145] | 10[145] | |
| Мин. пусковой момент даНм [фунт-дюйм] | Макс. перепад давления, Непрерывный | 3,0[265] | 4,0[355] | 5,4[480] | 7,8[690] | 13,2[1170] | 16,6[1470] | 20,7[1830] |
| Макс. перепад давления, Прерывистый | 4,2[370] | 5,6[500] | 6,8[600] | 10[885] | 16,8[1490] | 21[1860] | 26,6[2360] | |
| Мин. скорость [об/мин] | 20 | 15 | 10 | 10 | 10 | 10 | 10 | |
| Вес [кг фунт] Задний порт +0,450[.992] | GP(H) | 5,6[12.3] | 5,6[12.3] | 5,7[12.6] | 5,8[12.8] | 5,9[13.2] | 6,1[13.5] | 6,2[13.7] |
| Модель | ||||||||
| Объем см3/об [в3/об] | 158,4[9.66] | 198[12.1] | 247,5[15.1] | 316,8[19.3] | 396[24.16] | 495[30.2] | 623,6[38.05] | |
| Макс. скорость [об/мин] | Непрерывная | 378 | 303 | 242 | 190 | 150 | 120 | 95 |
| Периодическая | 472 | 378 | 303 | 236 | 189 | 150 | 120 | |
| Макс. крутящий момент даНм [фунт-дюйм] | Непрерывный | 31,3[2770] | 36,6[3240] | 38[3360] | 38[3360] | 36[3190] | 39[3452] | 44[3895] |
| Периодический | 37,8[3345] | 45,6[4035] | 58,3[5160] | 56[4960] | 59[5240] | 57[5045] | 64[5665] | |
| Пиковый | 43,8[3880] | 55[4870] | 68,5[6060] | 85[7505] | 85,4[7560] | 78[6903] | 82[7257] | |
| Макс. мощность кВт[л.с.] | Непрерывная | 10,1[13.5] | 10[13.5] | 7,5[10] | 5,8[7.9] | 4,6[6.2] | 3,5[4.7] | 3,3[4.4] |
| Периодическая | 12,1[16.2] | 12[16.1] | 12[16.1] | 9[12.1] | 7,8[10.5] | 7,2[9.7] | 5,6[7.5] | |
| Макс. перепад давления бар[PSI] | Непрерывный | 140[2030] | 140[2030] | 110[1600] | 90[1300]] | 70[1015] | 60[870] | 55[800] |
| Периодический | 175[2540] | 175[2540] | 175[2540] | 140[2030] | 115[1665] | 90[1305] | 80[1160] | |
| Пиковый | 225[3260] | 225[3260] | 225[3260] | 225[3260] | 180[2610] | 130[1885] | 110[1740] | |
| Макс. расход л/мин[гал/мин] | Непрерывный | 60[15.9] | 60[15.9] | 60[15.9] | 60[15.9] | 60[15.9] | 60[15.9] | 60[15.9] |
| Периодический | 75[19.8] | 75[19.8] | 75[19.8] | 75[19.8] | 75[19.8] | 75[19.8] | 75[19.8] | |
| Макс. входное давление бар[PSI] | Непрерывное | 175[2540] | 175[2540] | 175[2540] | 175[2540] | 175[2540] | 140[2030] | 140[2030] |
| Периодическое | 200[2900] | 200[2900] | 200[2900] | 200[2900] | 200[2900] | 175[2540] | 175[2540] | |
| Пиковое | 225[3260] | 225[3260] | 225[3260] | 225[3260] | 225[3260] | 225[3260] | 225[3260] | |
| Макс. возвратное давление бар[PSI] | Непрерывное | 175[2540] | 175[2540] | 175[2540] | 175[2540] | 175[2540] | 140[2030]1 | 40[2030] |
| Периодическое | 200[2900] | 200[2900] | 200[2900] | 200[2900] | 200[2900] | 175[2540]1 | 75[2540] | |
| Пиковое | 225[3260] | 225[3260] | 225[3260] | 225[3260] | 225[3260] | 225[3260]2 | 25[3260] | |
| Макс. пусковое давление без радиальной нагрузки [бар PSI] | 8[116] | 7[100] | 6[87] | 5[73] | 5[73] | 5[73] | 5[73] | |
| Мин. пусковой момент даНм [фунт-дюйм] | Макс. перепад давления, Непрерывный | 28,2[2500] | 33,5[2950] | 33,6[2970] | 34,4[3045] | 34,5[3050] | 36[3180] 4 | 1,5[3670] |
| Макс. перепад давления, Периодический | 35,5[3140] | 42,6[3770] | 54,2[4795] | 61,9[5480] | 60,8[5390] | 54[4780] | 62[5480] | |
| Мин. скорость [об/мин] | 10 | 10 | 10 | 10 | 10 | 10 | 10 | |
| Вес [кг фунт] Задний порт +0,450[.992] | GP(H) | 6,4[14.1] | 6,6[14.6] | 6,8[15] | 7,1[15.6] | 7,6[16.8] | 8,9[20] | 9,5[21.4] |
















