2PF | 4-30 мл/об
Гидравлический шестеренчатый насос
Шестеренчатые насосы серии 2PF являются одной из самых популярных серий насосов. Эти насосы достаточно универсальны, чтобы использоваться в гидравлических станциях и в строительной технике. Они особенно эффективны в использовании в подъемных платформах и ножничных подъемниках. Кроме того, эти насосы могут использоваться в качестве пилотных для основных насосов. Широкая область применения и надежная работа делают их отличным выбором для целого ряда гидравлических систем, от подъемного оборудования до сложных машин в инженерных проектах.
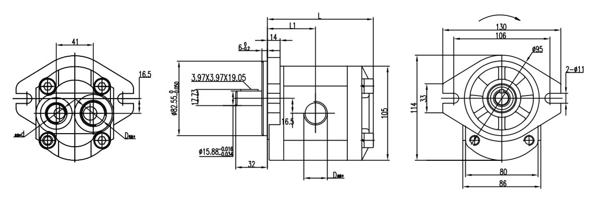
| Модель | Расход (мл/об) | Давление (бар) | Скорость (об/мин) | L | L1 | Впускное отверстие | Выпускное отверстие | |||
| Номинальное | Макс. | Номинальная | Макс. | Мин. | (мм) | (мм) | ||||
| 4 | 200 | 250 | 2000 | 3500 | 500 | 96 | 43.3 | PT 1/2 | PT 1/2 | |
| 6 | 200 | 250 | 2000 | 3500 | 500 | 98 | 45 | |||
| 8 | 200 | 250 | 2000 | 3500 | 500 | 102 | 46.5 | |||
| 10 | 200 | 250 | 2000 | 3500 | 500 | 104 | 48 | |||
| 12 | 200 | 250 | 2000 | 3500 | 500 | 108 | 50 | PT 3/4 | PT 1/2 | |
| 14 | 200 | 250 | 2000 | 3500 | 500 | 110 | 51 | |||
| 16 | 200 | 250 | 2000 | 3500 | 500 | 114 | 53 | |||
| 18 | 200 | 250 | 2000 | 3500 | 500 | 117 | 55 | |||
| 20 | 200 | 250 | 2000 | 3500 | 500 | 120 | 56 | |||
| 23 | 200 | 250 | 2000 | 3000 | 500 | 123 | 58 | |||
| 25 | 200 | 250 | 2000 | 3000 | 500 | 128 | 60 | |||
| 28 | 160 | 200 | 2000 | 3000 | 500 | 133 | 63 | |||
| 30 | 160 | 200 | 2000 | 3000 | 500 | 136 | 64 | |||
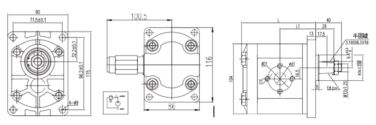
| Модель | Расход (мл/об) | Давление (бар) | Скорость (об/мин) | L | L1 | Впускное отверстие | Выпускное отверстие | |||||||
| Номинальное | Макс. | Номинальная | Макс. | Мин. | (мм) | (мм) | ØD1 | Ød1 | T1 | ØD2 | Ød2 | T2 | ||
| 4 | 200 | 250 | 2000 | 3500 | 500 | 95.5 | 43.3 | 30 | 13 | M6 | 3 | 13 | M6 | |
| 6 | 200 | 250 | 2000 | 3500 | 500 | 99 | 45 | |||||||
| 8 | 200 | 250 | 2000 | 3500 | 500 | 102 | 46.5 | |||||||
| 10 | 200 | 250 | 2000 | 3500 | 500 | 105 | 48 | 40 | 20 | M8 | ||||
| 12 | 200 | 250 | 2000 | 3500 | 500 | 108 | 49.5 | |||||||
| 14 | 200 | 250 | 2000 | 3500 | 500 | 111 | 51 | |||||||
| 16 | 200 | 250 | 2000 | 3500 | 500 | 114 | 52.5 | |||||||
| 18 | 200 | 250 | 2000 | 3500 | 500 | 117.5 | 54.3 | |||||||
| 20 | 200 | 250 | 2000 | 3500 | 500 | 121 | 56 | |||||||
| 23 | 200 | 250 | 2000 | 3000 | 500 | 125.5 | 58.3 | |||||||
| 25 | 200 | 250 | 2000 | 3000 | 500 | 128 | 59.5 | |||||||
| 28 | 160 | 200 | 2000 | 3000 | 500 | 133 | 62 | |||||||
| 30 | 160 | 200 | 2000 | 3000 | 500 | 136 | 63.5 | |||||||
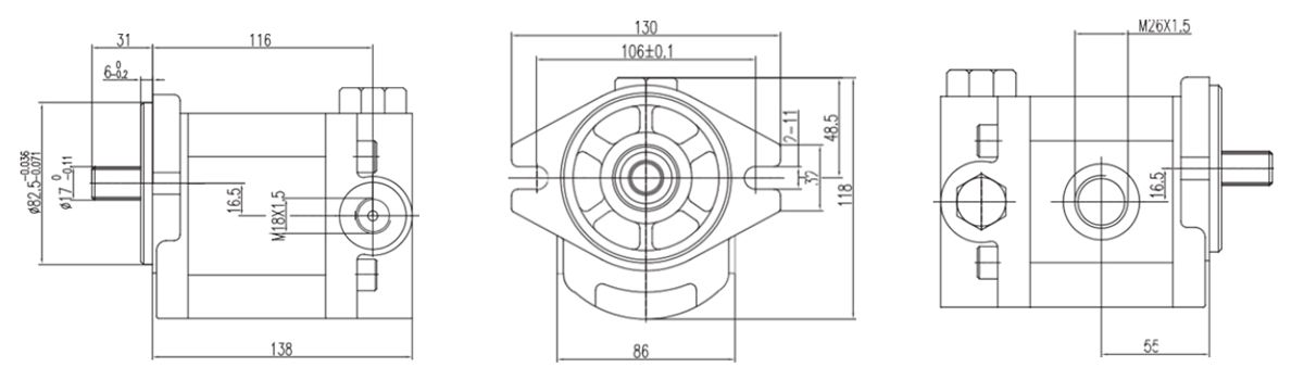
| Модель | Расход (мл/об) | Постоянный расход (л/мин) | Макс. давление (бар) | Скорость (об/мин) |
| 18 | 16 | 10 | 500-3200 |
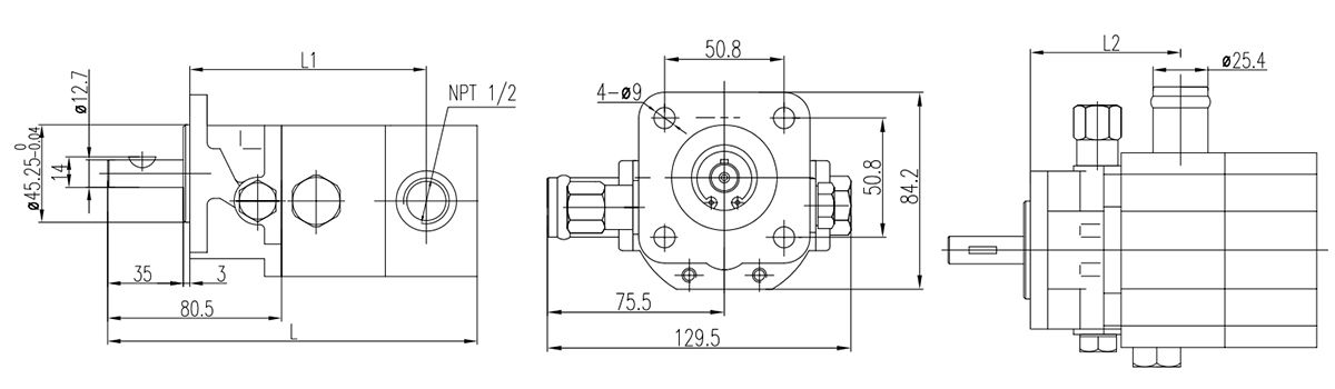
| Модель | Расход (гал/мин) | Давление (Psi) | Объем (куб. дюйм/об) | Скорость (об/мин) | D | Габариты (вн) | |||||
| Низкое | Высокое | Низкий | Высокий | Впускное отверстие | Выпускное отверстие | L | L1 | L2 | |||
| 8 | 400/900 | 3000 | 0.385 | 0.13 | 3600 | 1 в трубе | 1/2 NPT | 6.07 | 3.74 | 2.41 | |
| 8.5 | 400/900 | 3000 | 0.385 | 0.183 | 6.21 | 3.90 | 2.41 | ||||
| 9 | 400/900 | 3000 | 0.385 | 0.22 | 6.28 | 3.90 | 2.74 | ||||
| 10 | 400/900 | 3000 | 0.537 | 0.13 | 6.41 | 4.08 | 2.74 | ||||
| 10.5 | 400/900 | 3000 | 0.537 | 0.183 | 6.54 | 4.08 | 2.74 | ||||
| 11 | 400/900 | 3000 | 0.537 | 0.22 | 6.61 | 4.24 | 2.74 | ||||
| 11.5 | 400/900 | 3000 | 0.537 | 0.256 | 6.70 | 4.24 | 2.74 | ||||
| 12 | 400/900 | 3000 | 0.665 | 0.13 | 6.70 | 4.37 | 3.04 | ||||
| 12.5 | 400/900 | 3000 | 0.665 | 0.183 | 6.90 | 4.53 | 3.04 | ||||
| 13 | 400/900 | 3000 | 0.665 | 0.22 | 7.00 | 4.53 | 3.04 | ||||
| 13.5 | 400/900 | 3000 | 0.665 | 0.256 | 7.09 | 4.53 | 3.04 | ||||
| 16 | 400/900 | 3000 | 0.793 | 0.265 | 6.70 | 4.37 | 3.04 | ||||
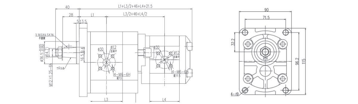
| Расход (мл/об) | 4 | 6 | 8 | 10 | 12 | 14 | 16 | 18 | 20 | 23 | 25 |
| L1(мм) | 42.3 | 44 | 45.5 | 47 | 48.8 | 50 | 52 | 54 | 55 | 58 | 59 |
| L3(мм) | 50.5 | 54 | 57 | 60 | 63 | 66 | 69 | 72.5 | 76 | 80.5 | 83 |
| Расход (мл/об) | 1.3 | 2 | 2.7 | 3.4 | 4.1 | 5.1 | 6.1 | / | / | / | / |
| L4(мм) | 44 | 46 | 48 | 50 | 52 | 55 | 58 | / | / | / | / |
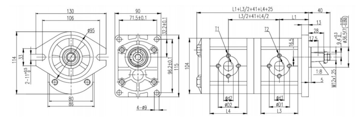
| Расход (мл/об) | 4 | 6 | 8 | 10 | 12 | 14 | 16 | 18 | 20 | 23 | 28 | 30 |
| L3/L4(мм) | 50.5 | 54 | 57 | 60 | 63 | 66 | 69 | 72.5 | 76 | 80.5 | 88 | 91 |
| L (мм) | 96 | 98 | 102 | 104 | 108 | 110 | 114 | 117 | 120 | 123 | 133 | 136 |
| L1(мм) | 43.3 | 45 | 46.5 | 48 | 50 | 51 | 53 | 55 | 56 | 58 | 63 | 64 |
| Модель | Расход (мл/об) | Давление (бар) | Скорость (об/мин) | L | L1 | Впускное отверстие | Выпускное отверстие | |||||||
| Номинальное | Макс. | Номинальная | Макс. | Мин. | (мм) | (мм) | ¢D1 | ¢d1 | T1 | ¢D2 | ¢d2 | T2 | ||
| 4 | 200 | 250 | 2000 | 3500 | 500 | 87.9 | 42.2 | 40 | 15 | M6 | 30 | 15 | M6 | |
| 6 | 200 | 250 | 2000 | 3500 | 500 | 91.1 | 43.8 | |||||||
| 8 | 200 | 250 | 2000 | 3500 | 500 | 94.3 | 45.4 | |||||||
| 10 | 200 | 250 | 2000 | 3500 | 500 | 97.5 | 47 | 40 | 20 | M6 | ||||
| 12 | 200 | 250 | 2000 | 3500 | 500 | 110.7 | 48.6 | |||||||
| 14 | 200 | 250 | 2000 | 3500 | 500 | 114 | 50.2 | |||||||
| 16 | 200 | 250 | 2000 | 3500 | 500 | 109.5 | 51.2 | |||||||
| 18 | 200 | 250 | 2000 | 3500 | 500 | 113 | 52.8 | |||||||
| 20 | 200 | 250 | 2000 | 3500 | 500 | 116.5 | 55.3 | |||||||
| 23 | 200 | 250 | 2000 | 3000 | 500 | 121.5 | 56.9 | |||||||
| 25 | 200 | 250 | 2000 | 3000 | 500 | 124.7 | 58.5 | |||||||
| Модель | Расход (мл/об) | Давление (бар) | Скорость (об/мин) | ||||||
| Фронтальный насос | Задний насос | ||||||||
| Фронтальный насос | Задний насос | Номинальное | Макс. | Номинальное | Макс. | Номинальная | Макс. | Мин. | |
| 20 | 10 | 200/250 | 250/300 | 200/250 | 250/300 | 2500 | 3000 | 800 | |















































