2MF | 4-25 мл/об
Гидравлический шестеренчатый насос
Гидравлические мотор-редукторы серии 2MF с диапазоном рабочих объемов от 4 до 25 мл/об предназначены для удовлетворения широкого спектра промышленных потребностей. Серия 2MF обладает устойчивостью к загрязнениям, характеризуется простой, но надежной конструкцией, отличается высокими эксплуатационными характеристиками и долговечностью. Автоматическая компенсация осевого зазора и износостойкие втулки значительно продлевают срок службы, что делает их надежным выбором для применения в сложных условиях.
Характеристики гидравлических шестеренчатых насосов серии 2MF
- Универсальный диапазон рабочего объема от 4 до 25 мл/об позволяет использовать его в самых разных гидравлических системах.
- Высокая несущая способность и увеличенный срок службы благодаря прочной конструкции.
- Автоматическая компенсация осевого зазора обеспечивает стабильную и эффективную работу в течение длительного времени.
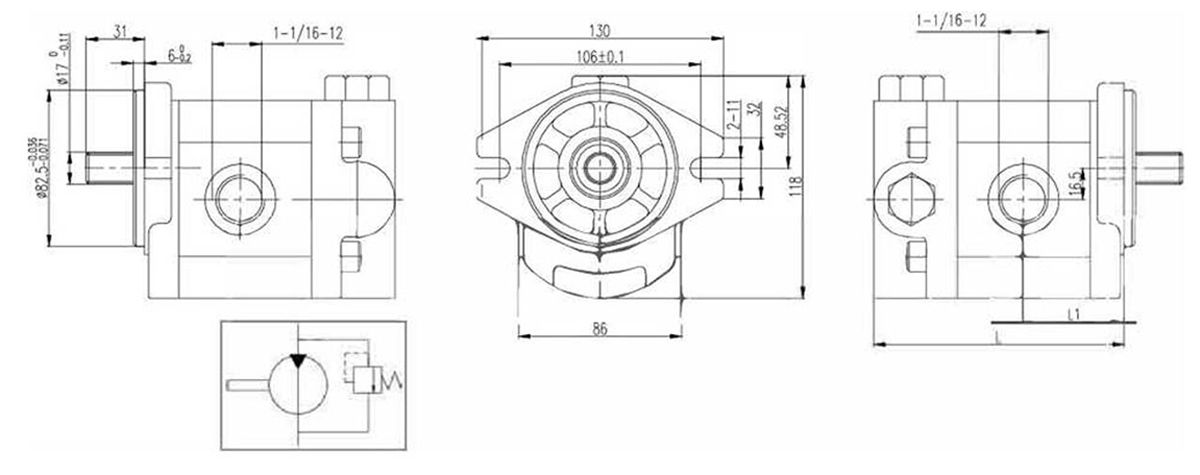
| Расход (мл/об) | 4 | 6 | 8 | 10 | 12 | 14 | 16 | 18 | 20 | 23 | 25 |
| L1(мм) | 39 | 40 | 41 | 43 | 44 | 46 | 48 | 49 | 51 | 54 | 57 |
| L (мм) | 111 | 112 | 115 | 118 | 120 | 125 | 128 | 132 | 137 | 139 | 141 |
Мотор-редукторы серии 2MF, приводимые в действие гидравлическим маслом для передачи мощности с вала, широко используются в системах охлаждения вентиляторов. Помимо охлаждения, они также выполняют функцию вибромоторов в небольших дорожных катках. Такое двойное применение демонстрирует гибкость и эффективность редукторов серии 2MF как в поддержании оптимальных температурных условий, так и в повышении производительности уплотнения в строительной технике.














