GDV120 | 120-130 л/мин
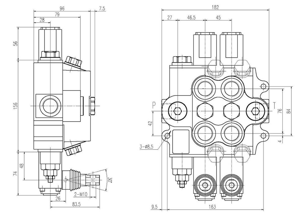
Моноблочный гидрораспределитель
Моноблочный гидрораспределитель серии GDV120 работает в диапазоне расходов от 25 до 170 л/мин. Благодаря широкому выбору опций золотника, гидрораспределитель отлично подходит для управления цилиндрами двойного и одинарного действия. Данная серия отвечает сложным требованиям различных гидравлических систем, обеспечивая эффективную и надежную работу в самых разных условиях применения.
Характеристики
- Корпус гидрораспределителя выполнен из чугуна;
- Пружинная клемма, электрический или гидравлический модули контроля выполнены из литого алюминия или алюминия под давлением;
- Возможно оснащение гидропотоком с внешним управлением;
- Возможно оснащение распределителя функцией механического позиционирования;
- Оснащение золотниками различного назначения: предназначены для управления цилиндрами двустороннего действия, управления цилиндрами одностороннего действия, управления масляными двигателями;
- Количество секций: 1-4 (под заказ). На сегодняшний день в производстве гидрораспределители с 1 секцией.
| Номинальный расход | 120 л/мин |
| Максимальный расход | 130 л/мин |
| Максимальное давление | 310 бар |
| Внутренняя утечка (70 бар): A/B в T | 30-35 см3/мин |
| Диапазон температур рабочей жидкости | |
| С уплотнением из бутадиенового каучука | -20C° -80C° |
| С уплотнением из фторокаучука | -20C° - 100C° |
| Ход золотника (1/2 позиции) | +7/-7 мм |
| Ход свободно плавающаго золотника (1/2 и F позиции) | +7/-7 -9 мм |
| Диапазон вязкости гидравлической жидкости | 15-75mrrT2/s |
| Диапазон эксплуатационных температур | -40C° -60C° |
| Напряжение соленоида 12В DC или 24В DC, сила тока 0-1.5А или 0-0.75A соответственно. | |
Моноблочный гидрораспределитель серии GDV120 широко используется в различных видах техники и значительно повышает эффективность работы промышленных устройств, сельскохозяйственного оборудования и строительных машин. Моноблочные гидрораспределители эффективны в таких системах, как колесные погрузчики, вилочные погрузчики и раскалыватели бревен, демонстрируя гибкое и надежное решение для точного гидравлического управления в сложных условиях эксплуатации.















